에너센트

발전 엔지니어의 전문지식과 일상

발전소 석탄 이송 5단계: 15만톤 벌크선 하역부터 미분기 상탄까지

새벽 5시, 전용 부두에 15만 톤짜리 벌크선이 접안했다는 연락이 왔습니다. 하역 작업이 시작되면 72시간 안에 선박을 비워야 하는데, 비라도 오면 일정이 틀어집니다. 발전소 석탄 공급이 매끄럽게 돌아가야 발전소 전체가 돌아갑니다. 제가 연료 설비를 담당하면서 가장 먼저 배운 게 이것이었습니다 — 석탄이 안 오면 터빈이 아무리 좋아도 소용없다는 것. 500MW급 석탄화력 1기가 하루에 태우는 석탄은 약 … 더 읽기

랭킨 사이클 효율 계산: T-s 선도 해석부터 재열·재생 개량까지

증기사이클 t-s선도

터빈 등엔트로피 효율 87%와 89%. 불과 2%p 차이지만, 500MW급 석탄화력에서 이 격차는 연간 수십억 원의 연료비 차이를 만들어냅니다. 화력발전소든 원자력발전소든, 증기를 이용해 전기를 생산하는 모든 플랜트의 기본 원리는 단 하나, 랭킨 사이클(Rankine Cycle)로 귀결되죠. 19세기 스코틀랜드 공학자 윌리엄 랭킨의 이름을 딴 이 사이클은 열에너지를 일(Work)로 바꾸는 가장 실용적인 모델입니다. 압력과 온도를 제어하여 상변화(Phase Change)의 잠열을 … 더 읽기

복수기 진공이 발전 효율을 좌우하는 이유: 배압과 상변화 원리 해설

복수기 진공이 발전소 효율에 왜 결정적인 영향을 미칠까? 단순히 증기를 식히는 장치처럼 보이는 복수기가, 실제로는 복수기 진공을 통해 랭킨 사이클의 효율 한계를 결정하는 핵심 설비입니다. 상변화 원리부터 계절별 운전 전략까지 정리했습니다. 발전소 엔지니어링에서 터빈 입구 온도를 10℃ 올리는 것만큼이나 중요한 게 터빈 출구 압력(배압, Back Pressure)을 낮추는 겁니다. 복수기가 만들어내는 강력한 진공이 없다면 증기는 터빈을 … 더 읽기

복합화력발전소 원리 : 효율 60% 달성하는 브레이튼+랭킨 결합 구조 해설

복합화력발전소는 어떻게 일반 화력발전소보다 효율이 20%p 이상 높을 수 있을까? 복합화력(CCPP, Combined Cycle Power Plant)은 두 개의 열역학 사이클을 직렬로 연결해 버려지던 열에너지를 회수하는 방식으로 이 질문에 답합니다. 1+1 > 2의 원리: 열역학적 결합 복합화력은 서로 다른 특성을 가진 두 개의 열역학 사이클을 직렬로 연결하여 에너지 손실을 극소화하는 기술입니다. 연료는 오직 가스터빈에만 투입되지만, 전기는 두 … 더 읽기

가스터빈 4사 비교: GE·Siemens·Mitsubishi·두산 효율과 유지보수 차이

GE HA 클래스

가스터빈 비교, 한 번쯤 궁금하셨을 겁니다. GE, Siemens, Mitsubishi, 두산에너빌리티까지 대형 가스터빈을 만드는 4개 제조사가 있는데, 같은 복합발전 64% 효율을 내면서도 설계 철학은 완전히 다릅니다. 제가 10년간 발전소 R&D 현장에서 이들 터빈을 직접 다뤄보면서 느낀 차이를 항목별로 정리해 보겠습니다. 카탈로그 스펙만 보면 비슷해 보이지만, 실제 정비를 해보면 제조사마다 확연히 다른 점이 드러나죠. 유지보수 편의성, 기동 … 더 읽기

보일러 연소 원리 3단계: 착화·연소·완결 과정과 저NOx 기술

보일러 연소에서 왜 굳이 석탄을 미세한 가루로 만들어 태울까? 굵은 석탄을 그대로 태우면 훨씬 단순할 것 같은데, 보일러 연소에서 미분탄(Pulverized Coal)을 사용하는 이유에는 명확한 열화학적 근거가 있습니다. 연소 메커니즘부터 NOx 제어 기술까지 정리했습니다. 보일러 연소에서 석탄을 미세 가루(Pulverized Coal)로 만드는 이유 대형 발전소는 석탄을 밀가루처럼 고운 미분탄(Pulverized Coal)으로 만들어 사용합니다. 미분기(Pulverizer/Mill)에서 롤러나 볼을 이용해 200메쉬(약 … 더 읽기

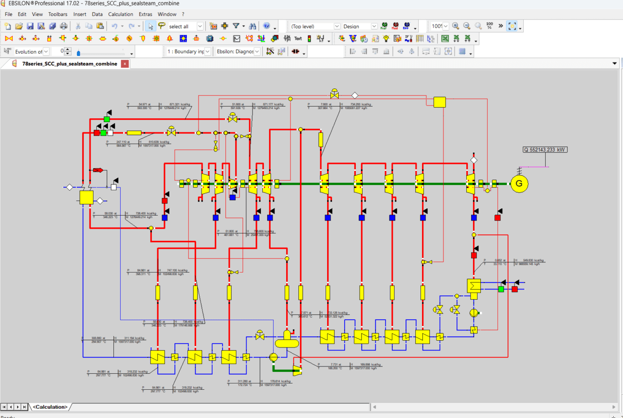
발전소 엔지니어링 도구 EBSILON: Thermoflow와 다른 2가지 핵심 기능

ebsilon

발전소 엔지니어링에서 “이 설비를 이렇게 바꾸면 효율이 얼마나 오를까?”라는 질문에 답하려면 어떤 도구가 필요할까? 수천억 원짜리 설비를 멈추고 실험할 수는 없는 노릇입니다. 발전소 엔지니어링의 표준 시뮬레이터로 자리 잡은 EBSILON® Professional의 원리와 활용법을 정리했습니다. 발전소 엔지니어링의 Thermoflow냐, EBSILON이냐 발전 시뮬레이션 업계의 양대 축, 미국의 Thermoflow(GT Pro/Steam Pro)와 독일의 EBSILON. 실무에서는 두 툴을 모두 쓰는 경우가 많지만, … 더 읽기

증기터빈이 3단(고압·중압·저압)으로 나뉘는 열역학적 이유

증기터빈은 왜 고압·중압·저압으로 나뉘어 있을까? 하나로 만들면 더 간단할 텐데, 굳이 세 개로 분리하는 데는 명확한 열역학적 이유가 있습니다. 증기터빈의 다단 구조와 그 이면에 있는 설계 철학을 분석합니다. 증기터빈 작동 원리의 양대 산맥: 충동(Impulse)과 반동(Reaction) 증기터빈은 증기의 열에너지를 운동에너지로 바꾸는 장치이며, 그 방식에 따라 크게 두 가지 원리로 나뉩니다. 현대의 대형 발전용 터빈은 효율을 극대화하기 … 더 읽기

화력발전소 원리: 500MW급 보일러·터빈·발전기 7가지 핵심 설비 해설

스팀터빈

화력발전소는 실제로 어떻게 전기를 만들까? 석탄을 태운다는 건 알겠는데, 그 열이 어떤 경로를 거쳐 220V 가정용 전기로 바뀌는지 설명할 수 있는 사람은 생각보다 많지 않습니다. 화력발전소의 발전 원리를 열역학적 사이클부터 핵심 설비별 역할까지 정리했습니다. 화력발전소 발전의 기초: 랭킨 사이클과 초임계압 기술 모든 화력발전소의 기본 원리는 열역학 제2법칙에 기반한 랭킨 사이클(Rankine Cycle)이죠. 물을 끓여 고압 증기를 … 더 읽기